Патентное бюро

Автор: Сергей Леонов
Опубликовано в журнале "Компьютерра" №45 от 07 декабря 2006 года

Защита от копирования оптических дисков (Philips)

Способ основан на аутентификации диска через Интернет. При установке диска в плейер последний считывает идентификационный код диска и отправляет серверу запрос на получение ключа для расшифровки содержимого. Сервер проверяет, имеется ли в базе данных уникальный код диска и сколько обращений с этим кодом было произведено ранее. Если диск с таким номером не зарегистрирован или количество обращений превышает допустимое, ключ не выдается.

Полная клавиатура для мобильного устройства (США)

Предлагаемый персональный коммуникатор имеет основную клавиатуру, выполняющую роль цифровой при наборе телефонного номера; эта же часть является левой половиной Qwerty-клавиатуры в режиме набора текста. Правая часть Qwerty-клавиатуры - выдвижная. Для набора текста устройство надо повернуть в горизонтальное положение.

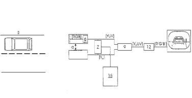
Система измерения расстояния (Германия)

Система предназначена для установки на автомобили с целью автоматического управления скоростью или предупреждения водителя об опасном сближении с впереди идущей машиной. Две камеры, одна из которых работает в видимом свете, а другая в инфракрасном, устанавливаются на известном расстоянии друг от друга. Система включает также блок триангуляционного вычисления расстояния. Преимущество системы перед запатентованными ранее решениями с двумя камерами и триангуляционным вычислителем состоит в том, что здесь совмещены функции вычислителя расстояния и камеры ночного видения. Таким образом, автомобиль, оборудованный этой системой, "весит меньше, нежели автомобиль с двумя отдельными системами измерения расстояния и ночного видения, что позволяет сэкономить топливо".

Способ отображения информации для автомобиля (США)

Если на дисплей в автомобиле может выводиться информация от разных подсистем (например, навигационной системы и аудиосистемы), площадь дисплея либо делится между ними, либо дисплей переключается с одной подсистемы на другую. Предлагаемый способ позволяет совместить информацию от двух или более подсистем. Изображения при этом накладываются друг на друга в виде слоев, причем сверху помещается картинка той подсистемы, в работу которой водитель последний раз вмешивался или в которой произошло важное событие. Например, при касании водителем регулятора громкости приоритет на дисплее получает аудиосистема, а при достижении точки поворота в маршруте - навигационная система.

Способ охлаждения привода оптического диска (Hitachi-LG Data Storage)

Для охлаждения электронных компонентов оптического привода предлагается вместо вентиляторов использовать воздушный поток, создаваемый самим вращающимся диском. Для этого на задней стороне привода делаются входное и выходное отверстия, а внутренним деталям придается такая форма, чтобы воздушный канал проходил вдоль поверхности вращающегося диска. Компоненты, требующие охлаждения, должны располагаться на пути воздушного потока.

Сворасивающийся коврик для мыши (Тайвань)

Сворачивающиеся рулетки наверняка видели все. В данном случае предлагается применить тот же принцип для коврика мыши ради уменьшения его загрязнения и большей компактности. Для приведения в рабочее положение коврик вытаскивается из корпуса, а обратно сворачивается при помощи пружины.

Многоцелевое устройство (Китай)

Чего только не скомбинируют в одном устройстве предприимчивые китайцы… В данном случае предлагается гибрид мегафона и фонарика, пояснений к конструкции которого, полагаю, не нужно (в заявке эти пояснения занимают целую страницу). Я не могу придумать, где могли бы понадобиться обе функции устройства, но автор уверяет, что оно будет "идеальным выбором во многих ситуациях".


<<Держите меня семеро! Сравнение характеристик ADSL-модемов
Все материалы номера
Железный поток >>